Home > Load Cells > TCA
TCA
S-Type Low-Profile Load Cell | Bi-Directional
CAPACITY
1KG – 50KG
NON-LINEARITY
±0.03% RO
RATING
IP20
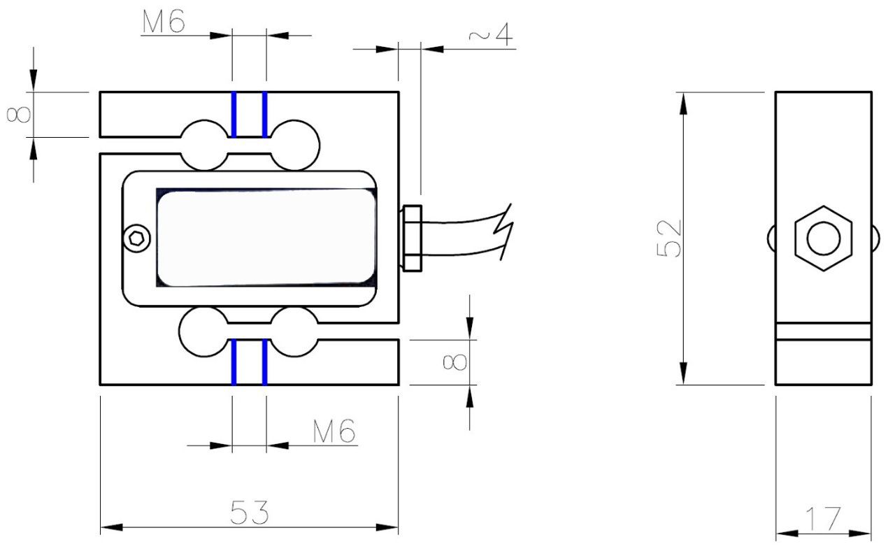
Produced from aluminium, the TCA is a low profile bi-directional S-Type load cell. Designed for use in both tension and compression and to suit static or dynamic applications, the TCA is a popular choice for projects with space constraints.
The lower capacity models also feature overload stop protection (1-5KG). This load cell range is popular for its size and accuracy capabilities.
A range of fitting accessories are also available for this bi-directional load cell range. To view the full specification, please download the product datasheet.
Similar Products
Typical Specification
| PARAMETER | VALUE | UNITS |
|---|---|---|
| Capacities Range | 1(1), 2(1), 5(1), 10, 25, 50 | KG |
| Rated Output | 2 | mV/V |
| Nominal Sensitivity | 0.1 | ±% of Rated Output |
| Linearity & Hysteresis | 0.03 | ±% of Rated Output |
| Repeatability | 0.01 | ±% of Rated Output |
| Temperature Effect (ON ZERO) | 0.025 | ±% of Rated Output/°C |
| Temperature Effect (ON OUTPUT) | 0.021 | ±% of Rated Output/°C |
| Input Resistance | 440±20 | Ω |
| Out Resistance | 350±2 | Ω |
| Insulation Resistance | >5 | GΩ |
| Zero Balance | 1 | ±% of Rated Output |
| Excitation (NOMINAL SUPPLY RANGE) | 1-15 | Volts AC or DC |
| Excitation (RECOMMENDED SUPPLY) | 10 | Volts AC or DC |
| Excitation (MAXIMUM SUPPLY) | 18 | Volts AC or DC |
| Temperature Range (COMPENSATED) | -20 to +80 | °C |
| Temperature Range (OPERATING) | -20 to +70 | °C |
| Mechanical Limit (SERVICE LOAD) | 120 | % of Rated Output |
| Mechanical Limit (SAFE OVERLOAD) | 150 | % of Rated Output |
| Mechanical Limit (ULITMATE OVERLOAD) | 300 | % of Rated Output |
| Mechanical Limit (SAFE TRANSVERSE LOAD) | 50 | % of Rated Output |
| Mechanical Limit (SAFE DYNAMIC LOAD) | 50 | % of Rated Output |
| Displacement at Nominal Load | ~0.3 | mm |
| Cable Length | 3 | m |
| Sensor Construction Material | Aluminium | - |
| Environmental Protection | IP20 | - |
| Weight | 0.3 | ~KG |
(1) Supplied with overload protection in tension and compression (Max. 500% RO).
Additional Information
Ordering Codes
| CAPACITY (KG) | ORDERING CODE | NATURAL FREQUENCY (kHz) |
|---|---|---|
| 1 | CTCA1K5 | ~0.22 |
| 2 | CTCA2K5 | ~0.50 |
| 5 | CTCA5K5 | ~0.75 |
| 10 | CTCA10K5 | ~1.00 |
| 25 | CTCA25K5 | ~1.50 |
| 50 | CTCA50K5 | ~2.00 |
Accessories
| ORDERING CODE | DESCRIPTION |
|---|---|
| CTIC13 | Loading Head |
| CTS18M6 | Spherical Loading Head |
| CBC32M6 | Mounting Plate |
| CACCEM6 | Knuckle Joints |
| KITCT | Accessory Kit |
Wiring Details
PVC 70°C shielded cable, Ø4.2mm with 4 tinned conductors. Shield connected to the body of the load cell.

| OUTPUT | CABLE (STANDARD) |
|---|---|
| EXCITATION+ | RED |
| EXCITATION- | BLACK |
| OUTPUT+ | WHITE |
| OUTPUT- | YELLOW |
| - | SHIELD |
Premium Quality
Rapid Turnaround
Dedicated Support Team
12 Month Warranty






















