Home > Load Cells > C2S
C2S
Low-Profile Button Load Cell | Hermetically Sealed
CAPACITY
100KG - 200TF
NON-LINEARITY
±0.023% RO
RATING
IP68
The C2S compression load cell is manufactured from stainless steel and has a low-profile diaphragm design.
Produced for long term stability, they are laser welded to achieve IP68 sealing.
The C2S provides a mV/V signal output and is suitable for both static and dynamic applications.
This compression load cell is a popular load cell choice due its size, accuracy and cost. Standard mounting accessories are available, including loading heads, mounting plates, and complete mounting kits (up to 30TF).
For more information on this compression load cell range including options and accessories, please download the product datasheet.
If this load cell doesn’t quite suit your application, get in touch to discuss your requirement in more detail with one of our experienced team members.
Similar Products
Typical Specification
| PARAMETER | VALUE | UNITS |
|---|---|---|
| Capacities Range (Emax) | 100, 250, 500 | KG |
| Capacities Range (Emax) | 1, 2.5, 5, 7.5, 10, 20, 30, 50, 75, 100, 150, 200 | tf |
| Rated Output | 2 | mV/V |
| Nominal Sensitivity | 0.1 | ±% of Rated Output |
| Minimum Verification Interval (Vmin) | Emax / 10000 | - |
| Combined Error | 0.023 | ±% of Rated Output |
| Non-Repeatability | 0.010 | ±% of Rated Output |
| Zero Return (OVER 30 MINUTES) | 0.026 | ±% of Rated Output |
| Creep (OVER 30 MINUTES) | 0.028 | ±% of Rated Output |
| Creep (OVER 20 & 30 MINUTES) | 0.008 | ±% of Rated Output |
| Temperature Effect (ON ZERO) | 0.024 | ±% of Rated Output/°C |
| Temperature Effect (ON OUTPUT) | 0.017 | ±% of Rated Output/°C |
| Input Resistance | 700±2 | Ω |
| Output Resistance | 700±2 | Ω |
| Insulation Resistance | >5 | GΩ |
| Zero Balance | 1 | ±% of Rated Output |
| Excitation (NOMINAL SUPPLY RANGE) | 1-15 | Volts AC or DC |
| Excitation (RECOMMENDED SUPPLY) | 10 | Volts AC or DC |
| Excitation (MAXIMUM SUPPLY) | 18 | Volts AC or DC |
| Temperature Range (NOMINAL RANGE) | -10 to +40 | °C |
| Temperature Range (COMPENSATED) | -20 to +80 | °C |
| Temperature Range (OPERATING) | -20 to +70 | °C |
| Mechanical Limit (SERVICE LOAD) | 120 | % of Rated Output |
| Mechanical Limit (SAFE OVERLOAD) | 150 | % of Rated Output |
| Mechanical Limit (ULTIMATE OVERLOAD) | 300 | % of Rated Output |
| Mechanical Limit (SAFE TRANSVERSE LOAD) | 50 | % of Rated Output |
| Mechanical Limit (SAFE DYNAMIC LOAD) | 50 | % of Rated Output |
| Cable length | 5 | m |
| Sensor Construction Material | Stainless Steel | - |
| Environmental Protection | IP68 (100h at 1m water column) | - |
| PARAMETER | 100KG - 10tf | 20tf - 30tf | 50tf - 100tf | 150tf - 200tf |
|---|---|---|---|---|
| Displacement at Nominal Load | ~0.06mm | ~0.16mm | ~0.23mm | ~0.36mm |
| Weight (APPROX) | ~1.3KG | ~3.4KG | ~9.4KG | ~18.2KG |
| Fixing Screws (DIAMETER) | M8 | M8 | M16 | M16 |
| Fixing Screws (RESISTANCE CLASS) | 12.9 | 12.9 | 12.9 | 12.9 |
| Fixing Screws (TIGHTENING TORQUE) | 80Nm | 80Nm | 230Nm | 230Nm |
Additional Information
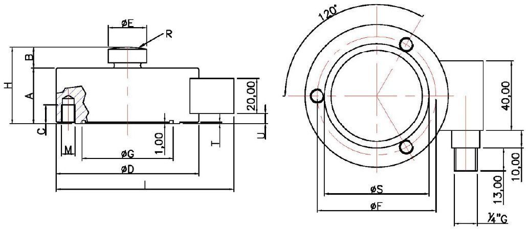
| CAPACITY | A | B | C | ØD | ØE | ØF | ØG | H | I | M | n°M | R | ØS | T | U |
|---|---|---|---|---|---|---|---|---|---|---|---|---|---|---|---|
| 100KG - 10tf | 32 | 12 | 11 | 82 | 22 | 68 | 52.3 | 44 | 102 | M8 | 3 | 50 | 60 | 0.3 | 6 |
| 20tf - 30tf | 50 | 14 | 12 | 126 | 35 | 90 | 77.3 | 64 | 148 | M8 | 3 | 160 | 93 | 0.5 | 15 |
| 50tf - 100tf | 60 | 20 | 20 | 165 | 60 | 130 | 92.3 | 80 | 188 | M16 | 4 | 300 | 115 | 1 | 17 |
| 150tf - 200tf | 80 | 30 | 20 | 200 | 80 | 152 | 107 | 110 | 223 | M16 | 4 | 300 | 128 | 1 | 23 |
If the dimensions or specification do not suit, PCM has an in-house design team that should be able to satisfy your requirements.
Ordering Codes
| CAPACITY | ORDERING CODE |
|---|---|
| 100KG | CC2S82100KC25 |
| 250KG | CC2S82250KC25 |
| 500KG | CC2S82500KC25 |
| 1tf | CC2S821TC25 |
| 2.5tf | CC2S822T5C25 |
| 5tf | CC2S825TC25 |
| 7.5tf | CC2S827T5C25 |
| 10tf | CC2S8210TC25 |
| 20tf | CC2S12620TC25H |
| 30tf | CC2S12630TC25H |
| 50tf | CC2S16550TC25 |
| 75tf | CC2S16575TC25 |
| 100tf | CC2S165100TC25 |
| 150tf | CC2S200150TC25 |
| 200tf | CC2S200200TC25 |
Accessories

| CAPACITY | ORDERING CODE | DESCRIPTION | Z | ØX | ØA | B | H |
|---|---|---|---|---|---|---|---|
| 100KG, 250KG, 500KG, 1tf, 2.5tf, 5tf, 7.5tf, 10tf | CTIC22 | (1)Loading Head | 59 | 57 | 23 | 9 | 24 |
| 100KG, 250KG, 500KG, 1tf, 2.5tf, 5tf, 7.5tf, 10tf | CPB120D82 | (2)Mounting Plate | - | - | - | - | - |
| 100KG, 250KG, 500KG, 1tf, 2.5tf, 5tf, 7.5tf, 10tf | CUPC2 | (3)Mounting Kit | - | - | - | - | - |
| 20tf, 30tf | CTIC35 | (1)Loading Head | 82 | 76 | 36 | 12 | 30 |
| 20tf, 30tf | CUPC3 | (3)Mounting Kit | - | - | - | - | - |
| 50tf, 75tf, 100tf | CTIC60 | (1)Loading Head | 106 | 126 | 61 | 12 | 38 |
| 50tf, 75tf, 100tf | CUPC5 | (3)Mounting Kit | - | - | - | - | - |
| 150tf, 200tf | CTIC80 | (1)Loading Head | 157 | 128 | 81 | 21 | 68 |
Connector Options & Wiring Details
| ORDERING CODE | DESCRIPTION |
|---|---|
| CMIL6MF + CMIL6FV5 | Direct MIL6M output connector. Female 6 poles straight MIL6M connector complete with 5m PVC shielded cable. |
| CONNM12MF + CONNM12FV5 | Direct M12 output connector. Female 5 poles straight M12x1 connector complete with 3m PVC shielded cable. |
(1) PVC 105°C shielded cable, 5.2mm Ø with 4 tinned 0.35mm2 Ø conductors. Shield connected to the body of the load cell.

| OUTPUT | CABLE (STANDARD) | MIL6M (OPTIONAL) | M12 (OPTIONAL) |
|---|---|---|---|
| EXCITATION+ | RED | A | 1 |
| EXCITATION- | BLACK | B | 3 |
| OUTPUT+ | WHITE | D | 2 |
| OUTPUT- | YELLOW | C | 4 |
| - | SHIELD | F | 5 |
Premium Quality
Rapid Turnaround
Dedicated Support Team
12 Month Warranty






















